Zum Hauptinhalt springen Zur Suche springen Zum Menü springen

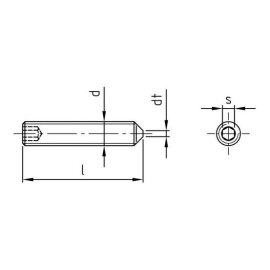
DIN 914 / ISO 4027 mit Spitze


Artikel 1 - 4 von 4
Zuletzt angesehen